Information on the 1969 Shelby - 428 Super Cobra Jet Engine with a 4 speed Transmission

The 428 Super Cobra Jet was introduced in 1969. Only 176 Shelbys got Super Cobra Jet, 4 speed engines. The "428 SCJ" is an improved
version of the 428 Cobra Jet.
Different versions of the engine were used depending on the build date of the car.

The specific engine code used on the 1969 GT500 with an 4 speed transmission was "424 S". During the year, this code changed to "424 T". 428 SCJ motors have some important internal and external differences. These include a new crankshaft, improved connecting rods and an oil cooler. All Super Cobra Jet cars also came equipped with a high ratio rear axle.

The 1969 Shelby uses a true ram air system. The air cleaner assembly is comprised of the base and the heat duct (snorkel).
The base is similar to the Mustang 428 "R code" base. However, the air cleaner does not use the upper flapper assembly used on a Mustang.
Early cars with the "424 S" coded engine used the C9ZF-9601-E air cleaner.

Later cars the with the "424 T" engine used a C9ZF-9601-F air cleaner base. The C9ZF-9601-F air cleaner has a small, brass, air valve in the base. You will also find an orange vacuum hose attached to that.

The air cleaner lid is painted blue on a 1969 Shelby and says "COBRA JET RAM AIR".
It is possible a few cars did not receive the air cleaner lid decal.
The unique seal for the air cleaner is glued to the bottom of the hood in 1969.

In this photo you can see the snorkel. This snorkel is shared with the Mustangs.

The Holley carburetor is marked C9AF-9510-M. It is not unique to the Shelbys, but is Cobra Jet specific. It was used on both the "424S" and "424T" motors. 1970 models had a manual choke installed.

There are two different versions of the valve covers. Some cars used a plain, unpainted ribbed cover. Others used
a "428 Cobra Jet" valve cover. This cover is often called the "snake" cover.
The chrome, oil filler cap has a plastic fitting.

These are the Cobra Jet exhaust manifolds. There is actually a visual difference between the ones made in 1968 and later years.

Most of the 1969 Cobra Jets cars started with one large and one small lift hook. This picture is courtesy of the parts supplier Dead Nuts On. (www.deadnutson.com)

One of the ways to identify a GT500 block is by the casting date. This date is found between the oil filter and the oil pan, under the car. Here "9B19" decodes as February 19, 1969. On 1969 casting dates, the first character is usually slightly raised and has two dots under it. The "W1" is the area of the casting plant where the block was made.

The 428 Super Cobra Jet uses this balancing weight instead of the usual spacer ound behind the crankshaft balancer.
The internal engine components are balanced differently from the 428 Cobra Jet motors.

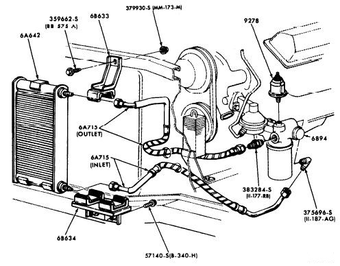
The 428 Super Cobra Jet also has an added external oil cooler hounted in front of the radiator support. This cooler requires the
use of a special oil filter adapter.

The GT500 4 speed, distributor is identified C80F-12127-H. The 4 speed version will have a dual pull
vacuum advance. The 1970 distributor was changed to a D0ZF-12127-C distrinbutor with a dual vacuum advance.
There are three colored vacuum lines.

The water pump bypass hose is actually thicker than regular heater hose. It was painted blue with the engine assembly and tower clamps.

In 1969, the Cobra Jet thermactor cars used this check valve. It is for a hose that is 5/8".

The anti-backfire canister is dated and has a part number. Most original valves have a date on the bottom side.
Two different water pump pulleys were used on Cobra Jet cars. The "424S" engines used the same C8AE-A pulley as the 1968s.
The "424T" engines used a larger water pump pulley marked C8AE-C. The drive belts also change because the pulleys are different diameters.

The fan for a 1969 Super Cobra Jet car is marked C9OE-H. This fan did not use a clutch. It later changed to a C9ZE-E. The later fans may use a clutch assembly.

It is my understanding the factory did not produce any 428 Super Cobra Jet, 4spd cars with air conditioning for Shelby in 1969. This is because the air conditioning interferes with the added oil cooler.
There a handful of cars that received "factory style" air conditioning
after they left the assembly plant.
These units were added by dealers to existing cars to stimulate sales.
Engine assemblies have more than a handful of changes during 1969. It is possible there are other variations.
If you can make a contribution, please drop me an email.